Tag: 變電站
-
巴德爾變電站實現與埃國家電網并網
-
陜北首座“會走路”的110千伏變電站投入運行
-
東江湖大數據產業園增量配電業務試點項目成功招標 總投資9.8億元
-
港珠澳大橋口岸人工島變電站預計11月底竣工投產
-
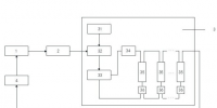
一種智能變電站微電網系統
-
總投資25.1億元 馬爾康500千伏變電站等一批阿壩電網項目集中開工建設
-
中國能建山西院中標±800千伏陜北-湖北工程
-
遼寧沈陽供電500千伏盛京輸變電工程開工
-
電耀三湘 湖南打造強大“電力引擎”
-
國網浙江電力依托“大云物移”推動運檢智能化建設
-
廣西南寧第三個500千伏變電站開工
-
陜西省省地電集團110千伏朱家坬變電站成功投運
-
安徽省發改委公布兩項500千伏變電站主變擴建工程核準前公示
-
云南電網2018年第二批物資框架招標(二次招標)招標公告
-
云南電網2018年第二批物資框架招標(二次招標)招標公告
TOPS- 月排行/
- 閱讀排行/
- 原創
- 月排行/
- 閱讀排行/
- 原創
- 209
゜ 1云南電力交易系統統一登錄 昆明電力交易中心網址 昆明電力交易中心官網 - 195
゜ 2安徽省電力交易中心官網 安徽省電力交易中心網站網址 - 187
゜ 3廣西電力市場交易中心網址 - 162
゜ 4新疆電力交易中心網站 - 125
゜ 5廣東電力交易系統網址/廣東電力交易中心網站 - 114
゜ 6江蘇省電力交易平臺網址江蘇省電力交易中心網址 - 109
゜ 7遼寧電力交易中心網址 遼寧電力交易中心官網 - 109
゜ 8電纜橋架安裝施工要求及規范 - 97
゜ 92025年電網代理購電價格 - 97
゜ 10如何助力售電公司實現增值服務能力

